热释电红外控制电路

  • 产品型号:

    GS0002
  • 产品名称:

    热释电红外控制电路
  • 封装形式:

    SOP16
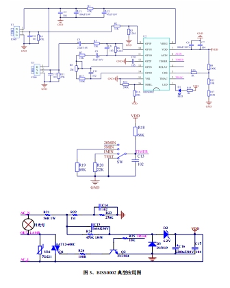
  • BISS0002是一款用于照明控制的红外感应信号处理CMOS集成电路。它适用于110V/220V交流(AC)(整流产生Vdd)和3V电池(2/3节AA 1.2V电池)供电。 BISS0002有60Hz和50Hz两种应用频率可选:当ACIN=60Hz时,工作频率为7.5KHz ±10%;当ACIN=50Hz时,工作频率为6.25KHz ±10%。


  • ● 内置PIR信号运算放大器

    ● 交流信号零点检测功能

    ● 可同时驱动继电器和可控硅

    ● 感应触发LED指示

    ● 灯亮时间可选: 4S(TEST)、 1Min、 5Min、 10Min、 20Min

    ● CDS 白天/黑夜检测

    ● 内部参考电压减小误触发

    ● 工作电压: 2.5V-6.5V


  • ● PIR运动检测

    ● 灯光控制

    ● 安全系统

    ● 电池供电,远程运动感应


  • SOP16
二维码