DC-DC升压器

  • 产品型号:

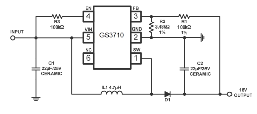
    GS3710
  • 产品名称:

    DC-DC升压器
  • 封装形式:

    SOT23_6
  • 高效率1.2MHz,28V输出,2A升压调节器。GS3710工作频率为1.2MHz,可以使用高度小于或等于2mm的微型低成本电容器和电感器。内部软启动导致小涌流延长电池寿命。包括欠压锁定、电流限制和热过载保护,以防止损坏输出过载事件。


  • ●2V至24V输入电压

    ●输出电压高达28V

    ●集成80m?功率MOSFET

    ●1.2MHz固定开关频率

    ●内部4A开关电流限制

    ●内部补偿

    ●热关机

    ●输出可从0.6V调节

    ●提供6 Pin SOT-23封装


  • ●数字机顶盒(STB)

    ●平板电脑(Pad)

    ●LCD偏压电源

    ●电池供电设备

    ●便携式媒体播放器(PMP)

    ●一般用途


  • SOT23_6
二维码