3线串口共阴极8段6位或10段4位LED驱动控制专用电路

  • 产品型号:

    GS1620
  • 产品名称:

    3线串口共阴极8段6位或10段4位LED驱动控制专用电路
  • 封装形式:

    SOP20
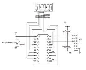
  • GS1620是3线串口共阴极8段6位或10段4位LED驱动控制专用电路


  • ?采用功率CMOS工艺;

    ?显视模式(8段×6位~10段×4位)

    ?辉度调节电路(占空比8级可调)

    ?串行接口(CLK、STB、DIO)

    ?内置RC振荡(450KHz±5%)

    ?内置上电复位电路

    ?封装形式:SOP20


  • 应用于小家电产品显视驱动


  • SOP20
二维码